产品推荐

关于产品

网站首页 - 关于产品 - 除尘设备系列

空气输送斜槽

产品优势

空气输送斜槽采用PETS-6(涤纶)型合成纤维织物,是一种新型透气型,它具有耐高温(可达150℃),耐腐蚀、耐磨损、吸湿性低、重量轻、表面平整、使用寿命长等优点。

产品详细信息

产品说明
    空气输送斜槽采用PETS-6(涤纶)型合成纤维织物,是一种新型透气型,它具有耐高温(可达150℃),耐腐蚀、耐磨损、吸湿性低、重量轻、表面平整、使用寿命长等优点。
    空气输送斜槽是一种用于输送干燥粉状物料的气力输送设备。在水泥工业中常用于输送水泥和生料粉。
    斜槽在输送物料中因为、没有转动部件,易于维护,密封性好,无噪音,操作安全可靠,耗电少,改变输送方向方便,并能多点喂料和多点卸料而得到广泛的应用。斜槽的主要构件是透层。

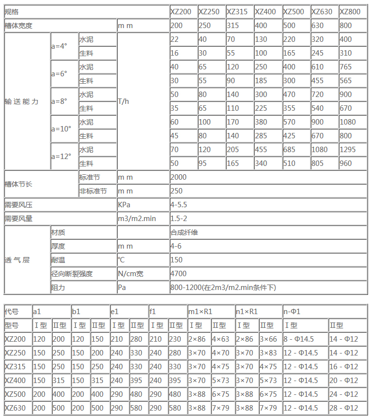
技术参数

上一条:没有了
上一条:没有了
返回

联系我们

服务热线:0317-8345584
btjzhb@163.com
传  真:0317-8345584

地  址:河北省泊头市富镇收费站北100米

扫一扫打开移动站

扫一扫打开移动站
泊头市玥宏环保设备有限公司 版权所有  ICP备案号:冀ICP备15001038号-5  技术支持:上元网络[定制网站]  分享到: